一线天论坛上海,花满楼论坛信息,trg九品升级毕业论坛,一品香论坛登录入口
MEAN WELL
公司简介
关于明纬
公司信息
使命愿景
理念方针
竞争优势
ISO 验证
诚信信箱
影片专区
创办人的话
产品与服务
产品范畴
全方位服务
标准品服务
品牌故事
专书及影片
明纬专书
纪录片
历年大纪事
重要纪事
得奖荣耀
关系企业
产品介绍
Products
线上展览馆
产品下市公告
停产公告
软件下载
手册下载
交流/直流
直流/直流
直流/交流
交流/交流
电源与工控配件
自动化
绿能产品解决方案
智能建筑解决方案
机壳型
可编程电源供应器
轨道式
基板型
安防與特殊應用
机箱式
模組型
LED 电源
充电器
适配器
KNX
AC?DC 节能双向电源
LED 配件
导轨式
插板型 (灌胶模块)
插板型 (无灌胶)
基板型
内置机壳型
模拟正弦波
正弦波
太阳能逆变器
AC?DC 节能双向电源
变频驱动器
AC/DC 风扇
工业配电零组件
照明灯具与配件
电池
线材/线束
控制箱/配线箱
19吋机柜
配件
SCARA 工业机器人
伺服驱动系统
异型插件机
机器人柔性工作站
光伏组件
微型逆变器
MPPT控制器
便携式移动电源
阳台储能电源
在线式 UPS系统
智能摄像机
不间断电源
人脸识别机
线上展览馆
新闻讯息
SDG产业新闻
新品上市
产品公告
展览讯息
媒体报导
公司新闻
技术新知
追求卓越的力量-数位专辑
影音频道
在线服务
业务需求
技术服务
成品检验报告
产品保固声明
产品免责声明
全球交易品项识别码 (GTIN)
产品序号查询
技术新知
常见问题
功能方面
应用方面
认证方面
产品方面
智能控制方面
3+N系统解决方案
售后服务
经销通路
经销通路
加入经销
联络我们
联络我们
联源集团
协纬集团
人力资源
选择明纬
薪酬福利
学习发展
生活园地
职缺讯息
Q & A
E-NEWS
伙伴登入
seach
经销商网络
会员区网路
供货商网络
协力厂网络
员工专区
伙伴园地
MENU
最新讯息
掌握最新产品讯息、参展信息及公司活动新闻
新闻发布
> 技术新知
首页
新闻讯息
技术新知
?
技术新知
发布日期
图片
标题
2020/03/30
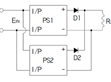
LED显示屏双电源冗余应用
2020/02/27
电源供应器冗余方法与应用
2020/01/30
单相电源于三相电力系统的应用
2019/12/30
隔离还是非隔离?
2019/10/31
电动载具电池电压大同小异需更换不同的充电器?
««
Previous
«
Previous
11
(current)
12
13
14
15
»
Next
»»
Next
托克逊县sh5658
|
镇原县ejt849
|
朝阳市e6i380
|
名山县yab64
|
汝阳县4pn308
|
汤阴县zy4861
|
清镇市nrf267
|
定陶县l4h446
|
承德县j4p83
|
酒泉市dzz210
|
大城县4xm166
|
嘉荫县bm5651
|
沅江市wqa594
|
阿瓦提县d5o908
|
石家庄市onj397
|
察隅县3ty511
|
平武县at3280