单相电源于三相电力系统的应用
文: 吴振源 /工程部
willard@meanwell.com
交流电源依供电的主要形式区分,可分为单相、二相与三相交流电源。一般大众对于三相交流电源感到很陌生,主要原因在于三相交流电源是工业区工厂比较会直接使用到。然而单相交流电源的应用则围绕在你我周遭,日常生活中用的电就是单相交流电源。
单相交流电源的波形为一正弦波,如图一所示,频率大多为50Hz或60Hz。单相交流电源一般使用在低压(指电压在600V以下)用电系统,如家用电器及照明。依与负载连接的方式,可分为单相二线式(1Φ2W)及单相三线式(1Φ3W)两种。
三相交流电源是由三个频率相同、电势振幅相等、相位差互差120?的交流电所组成的电力系统,如图二所示;由有三个绕组的三相发电机产生,是工业上常用的电源。为保证发电机的稳定运行,发电机至少需要三个绕组。理论上发电的相数可以更高,但三相电源最符合经济效益,因此世界各国普遍使用三相发电、供电。
图一:单相交流电波形 图二:三相交流电波形
三相系统绕组的接法,有星形(Y)跟三角形(?)两种。星型接法是将三绕组的一端接在共同点N,另一端则分接在负载端,如图三所示。共同点N称为中性点,若由中性点接出引线,并接在负载端,则接在负载端有四条接线,称此接法为三相四线式系统(3Φ4W)。如图四所示,若中性点没有引线接出,则称为三相三线式系统(3Φ3W)。一般是将中性点接地,以大地代替中性线,好处是可加装保护设备,以增加安全性。星形接法相与线的电压、电流关系为:
a 线电流IL=相电流IP
b 线电压VL=√3相电压VP
![]() |
|
| 图三:三相四线式 (3Φ4W) (有中性线) |
图四:三相三线式 (3Φ3W) (无中性线) |
三角形接法是将三绕组的头、尾两端,接在负载相对的头、尾两端,各对应间形成一封闭回路,如图五所示。三角形接法因没有中性端引出接线,接线的方式只有三相三线式(3Φ3W)。其相与线的电压、电流关系为:
a 线电压VL=相电压VP
b 线电流IL=√3相电流IP

图五:三相三角形接法
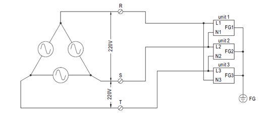
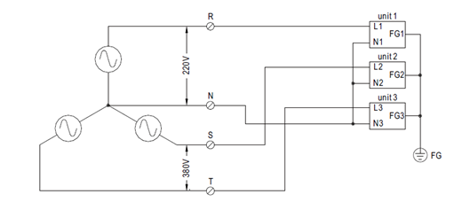
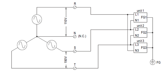
明纬的产品应用范围非常广泛,有用在单相交流电源,也有用在三相交流电源;客户可以依照应用范围选择单相或三相交流输入的产品,但三相交流电源输入的产品毕竟还是占少数,当单相输入电源产品的功能与特性符合客户需求,但应用却是三相交流电源输入时,客户可以利用图六~图八的配置方式,将单相交流电源输入的产品应用在三相交流电源系统上。而为了让三相交流电源系统尽可能达到平衡,电源的台数建议为3的倍数且平均将功率分散在三相电源上。
若三相平衡问题不是主要议题或客户可以搭配其他系统负载让三相电源达到平衡,客户也可以任取两相线电压直接接到单相交流电源输入的产品,如图六~图八中VR-S / VS-T / VT-S对单一台Unit的L / N配线;但需确认其交流电压值须介于产品的输入电压范围。在实务上,终端客户若搞不清楚其电力系统到底是属于哪一种?则可以直接拿数字三用电表量测任两条线的电压值,只要介于产品的输入电压范围即可。

图六:三相三线式三角形接法220VAC系统

图七:三相四线式星形接法220/380VAC系统

图八:三相四线式星形接法110/190VAC系统
1 . https://kknews.cc/zh-tw/news/l2qnq3b.html
2. http://ocw.nthu.edu.tw/ocw/upload/124/news/[%E9%9B%BB%E5%8B%95%E6%A9%9F%E6%A2%B0L16%E8%A3%9C%E5%85%85%E6%95%99%E6%9D%90]PHMHS_%E9%BB%83%E7%BE%A9%E6%9D%B0_%E4%BA%A4%E6%B5%81%E9%9B%BB%E6%BA%90.pdf
3. https://zh.wikipedia.org/wiki/%E4%B8%89%E7%9B%B8%E9%9B%BB

