电源供应器冗余方法与应用
willard@meanwell.com
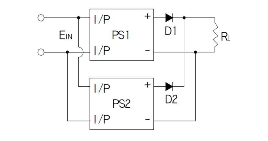
随着科技日新月异,各种精密仪器设备对于电源的稳定性也越来越注重,例如工业计算机、服务器与电信厂房设备等等。通常设备厂商的设计会如图一的方式,选用2台电源供应器,于输出正端各别串接二极管,再并联接到负载端。这样的设计理念,是当其中一台当机时,另一台仍会持续运转,确保整个设备的稳定性。另外,不建议以选择具并联功能的电源供应器并联来取代备援,因为并联还是有机会因其中一台电源供应器输出端损害短路,造成整个系统异常。

图一 使用二极管并联方式
- 如图二中耐压VRRM要大于电源输出电压,以防止电压逆灌。
- 如图二中耐流IO建议要大于2倍的电源输出电流,以确保二极管耐受。
- 如图二中顺向电压Vf越低越好;若是耐压许可,建议选用萧特基二极管,因为这样Vf会比较低,二极管温度会较低,散热片面积可以比较小。
另外因为二极管会有损耗产生,并以热的方式呈现,因此还需设计散热片来散热,确保二极管的温度不会超过其耐温。

图二 萧特基二极管ESAD83-006R规格
以上所提到的冗余方式都是要由设备厂商自行设计与验证,但并非所有的厂商都有此能力,设备厂商可以选择有冗余功能的产品,例如UHP系列的冗余选配,或选择搭冗余模块。明纬于早期设计了一款DR-RDN20的电源并联冗余模块,提供备援解决方案,将二极管、散热片以及一些功能做成轨道式的外观,方便于客户组装作冗余应用。
因为冗余产品需求越来越多,旧款冗余模块的体积与效能无法满足需求,明纬新开发了次世代轨道型可快速挂轨的DRDN20/40系列,并同时规划了采锁螺丝固定的机壳型ERDN20/40系列,新旧世代详细差异如图三所示。
DRDN20/40及ERDN20/40系列是一系列20A/40A电源并联冗余模块,可搭配电源供应器做冗余,藉以提升整体系统运行稳定度及可靠度,主要特点包含: 可支持系统1+1及1+N冗余、适用5V (仅ERDN20) /12V/24V/48V系统电压、二路DC输入接点与单路输出,内建二路DC OK继电器接点可侦测电源状态、采Mosfet技术可降低热损并减少输入与输出电压之间的压差、-40~+80℃超宽工作温度…..等,适用于需要确保设备不可中断运行的应用场合。

图三 新旧世代电源供应器冗于模块差异表
