高压输出大功率电源供应器应用
文: 吴振源 /工程部
willard@meanwell.com
早期电源供应器应用通常为ATX电源供应器的3.3V/5V/12V、笔电的19V~24V或工控的12V/24V/48V等符合SELV的低输出电压机型。但随着科技日新月异,高压输出的应用越来越广泛,例如UV固化设备、雷射相关机器等等。
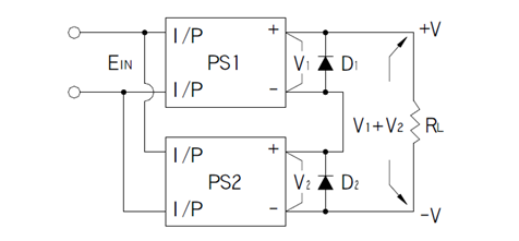
在没有高输出电压机型之前,大多藉由图一串接的方式来达到。除了需外加逆向二极管,以防止启动时造成电源内部损坏,成本亦有所增加之外,对于单机而言,搭配性与高损坏率的风险也提高。CSP-3000高压设计输出系列则能够避免上述缺点。
![]() |
| 图一 输出加并二极管之串联接法 |
CSP-3000是一款3kW单组输出机壳型AC/DC电源供应器。其输入电压范围为180~264VAC,并提供业内最需要的直流高输出电压机型。此系列是藉由内建风扇散热,具有风扇转速控制的功能,工作温度最高可达70℃(请参考规格书降载曲线)。另外CSP-3000还内建了多种功能,如PV/PC、并联、遥控开关控制与辅助电源等,可以提高客户在设计上的灵活性。
首先若将此系列应用于LED模块的驱动上,建议尽可能操作在图二~图四 V-I曲线的蓝色斜线区,这样才能让整体的性能达到最好的状态。
其输出电压电流的数值可藉由PV/PC功能来设定。此系列的PV/PC功能只能择一使用,其选择方式是藉由CN1的 PIN5/PIN6 开路或短路来决定;若是短路,则是选择PV模式,可以调整输出电压;若是开路,则是选择PC模式,可以调整输出电流。
![]() |
|
| 图二 CSP-3000-120 | 图三 CSP-3000-250 |
![]() |
|
| 图四 CSP-3000-400 | |
![]() |
|
| 图五 PV/PC模式设定与功能脚位机构图 | |
![]() |
|
| 图六 Vo-Vs曲线图 | 图七 Io-Vs曲线图 |
![]() |
|
| 图八 Vo/Io-Vs曲线图 | |
在PV模式下,有三种可以调整Vo的方式,第一种方式是藉由SVR2调整,其调整范围为额定电压的20~100%。第二种方式是在CN2的PIN7/PIN8之间外加一直流电压讯号Vs,其调整范围为额定电压的20~100%,请参考图六所示;若Vs<2V,则Vo≧额定电压的10%。第三种方式是在CN2的PIN5/PIN6之间外加一直流电压讯号Vs,其调整范围为额定电压的8~100%,请参考图八所示,范围较宽,且响应速度较快。
在PC模式下,SVR2是用来设定最大恒流点Imax。有两种可以调整Io的方式,第一种方式是在CN2的PIN7/PIN8之间外加一直流电压讯号Vs,其调整范围为Imax的20~100%,请参考图七所示。第二种方式是在CN2的PIN5/PIN6之间外加一直流电压讯号Vs,其调整范围为Imax的8~100%,请参考图八所示,其范围较宽广,且响应速度较快速。
实机操作可以参考以下影片。

.png)




